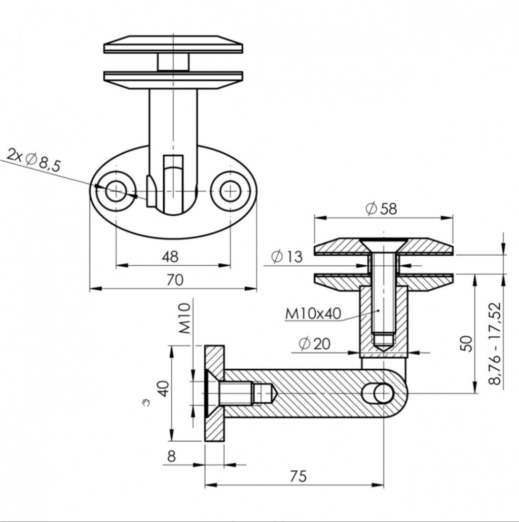
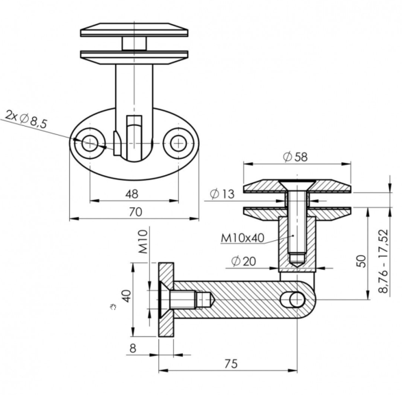
Mocowanie daszka szklanego – szkło do ściany
Solidny element konstrukcyjny wyposażony w uchwyt zaciskowy do szkła, umożliwiający pewne i bezpieczne mocowanie tafli szklanej. Konstrukcja mocowania jest regulowana, co pozwala na precyzyjną regulację kąta nachylenia wypełnienia. Wykonane z wysokiej jakości stali nierdzewnej, mocowanie łączy trwałość, funkcjonalność i estetykę, doskonale komponując się z nowoczesną architekturą.
Parametry techniczne
- Rozstaw otworów montażowych: 48 mm
- Średnica mocowania szkła: fi 58 mm
- Minimalny otwór w szkle: fi 13 mm
- Gwint górny: M12
- Śruba mocująca: M10 × 40 mm
- Regulacja kąta nachylenia
- Materiał: stal nierdzewna
Zastosowanie
Do mocowania tafli szklanych w daszkach, wiatach i zadaszeniach do ściany budynku. Sprawdza się w realizacjach wymagających trwałości, bezpieczeństwa oraz możliwości regulacji kąta nachylenia wypełnienia.



