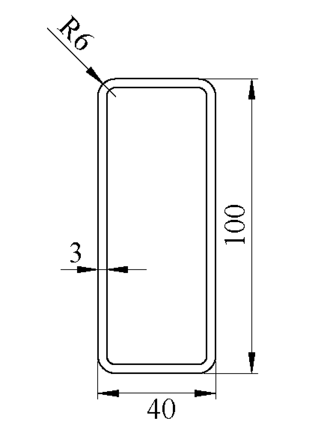
Wspornik daszka szklanego 100x40 mm – dla wysięgu szkła 1,5 m – stal szlifowana
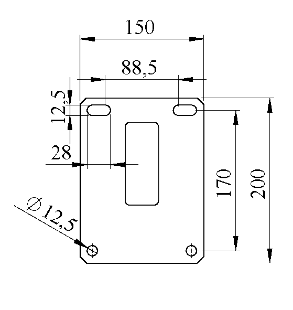
Wspornik do daszków szklanych wykonany z profilu 100x40 mm o długości 1404 mm w eleganckim wykończeniu stal szlifowana to wytrzymały element konstrukcyjny przeznaczony do montażu tafli szklanych o dużym wysięgu. Solidny profil i precyzyjne wykonanie zapewniają stabilne podparcie szkła o wysięgu 1,5 metra. Montaż do ściany realizowany jest poprzez kryzę montażową z czterema otworami, co gwarantuje pewność i trwałość całej konstrukcji. Wspornik wyposażony jest w uchwyty zaciskowe fi 50 mm do szkła, umożliwiające szybki i bezpieczny montaż (konieczne przygotowanie otworów w tafli szkła).







